Ведущее колесо с электродвигателем переменного тока HL230 оснащено асинхронными двигателями переменного тока мощностью 1,6-2,2 кВт с редуктором 22,07: 1, обеспечивающими скорость 100 м/мин и грузоподъемность 1200 кг. Доступные в нескольких передаточных коэффициентах (14,5-27,31), его полиуретановые/резиновые колеса φ 230x75 мм обеспечивают максимальную тягу 2500 Н для тяжелых AGV и погрузочно-разгрузочного оборудования.
| Основной параметр производительности | |||
| Модель | HL230-AC1600-24-22B | HL230-AC2200-24-22B | |
| Индекс производительности | Параметр | Параметр | |
| Мотор перемещения | Тип двигателя | Асинхронный двигатель переменного тока | Асинхронный двигатель переменного тока |
| КВ силы мотора | 1,6 | 2,2 | |
| Напряжение V | 24 | 24 | |
| Номинальный ток А | 78 | 105 | |
| Номинальный крутящий момент Нм | 5,66 | 6,26 | |
| Номинальная скорость об/мин | 2560 | 3352 | |
| Тип энкордера | Тип импульса | Тип импульса | |
| Коробка передач | Тип редуктора | Вторичный редуктор | Вторичный редуктор |
| Коэффициент редуктора | 22,07: 1 | 22,07: 1 | |
| Тормоз | Тормозной момент Нм | 16 | 16 |
| Номинальное напряжение | DC24 | DC24 | |
| Колесо | Материал тайера | Полиуретан/резина | Полиуретан/резина |
| Размер колеса | Φ230X75 | Φ230X75 | |
| Другие | Угол ограничения рулевого управления | Нет | Нет |
| Скорость перемещения м/мин | 0-100 | 0-100 | |
| Номинальная тяга N | 1000 | 1080 | |
| Максимальная тяга N | 2500 | 2700 | |
| Пропускная способность Кг | 1200 | 1200 | |
| Вес нетто кг | 58 | 60 | |
Напряжение дополнительно: 24 В постоянного тока Передаточное отношение опционально: 14,5, 16,7, 22,07 27,31 Используется для мобильных роботов (AGV), штабелеров для поддонов, тележек для поддонов, метельщиков, тележек для воздушных работ и т. Д. | |||

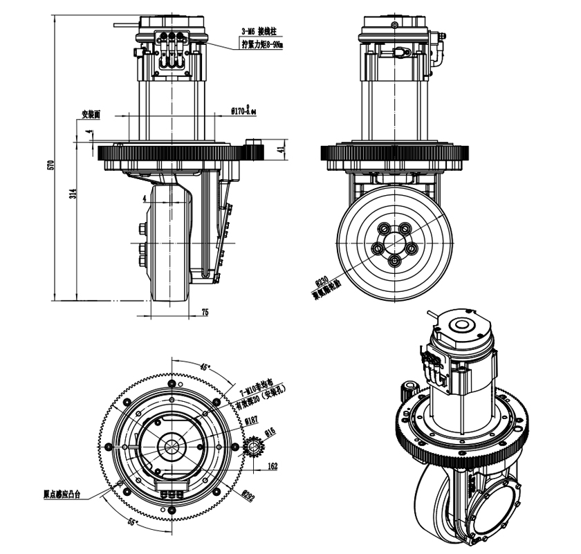
Детали мотора & шестерни
Асинхронный двигатель переменного тока мощностью 1,6 кВт или 2,2 кВт для двух вариантов модели (HL230-AC1600-24-22B и HL230-AC2200-24-22B).
Номинальная скорость двигателя составляет около 2 560 об/мин (для 1,6 кВт) или 3 352 об/мин (для 2,2 кВт) соответственно.
Редуктор (вторичная передача)-передаточное число по умолчанию 22,07: 1, с дополнительными передаточными числами 14,5: 1, 16,7: 1, 22,07: 1 и 27,31: 1.
Колесо & покрышка
Размер колеса: φ 230 × 75 мм, материал шины: полиуретан/резина.
Предназначен для конфигурации вертикального привода (категория «Вертикальное ведущее колесо»), хотя название здесь указывает на ведущее колесо двигателя переменного тока.
Производительность/Возможности
Скорость движения: 0-100 м/мин.
Номинальная тяга: ~ 1 000 Н (модель 1,6 кВт) или ~ 1 080 Н (модель 2,2 кВт)
Максимальная тяга: до ~ 2500 Н (1,6 кВт) или ~ 2700 Н (2,2 кВт)
Грузоподъемность: 1200 кг (на единицу) для обеих моделей.
Тормоз & электрический
Тормозной момент: 16 Нм, номинальное напряжение для тормоза 24 В постоянного тока.
Вход/напряжение для двигателя: 24 В (шина постоянного тока)-это указанный стандарт.
Домен приложения
Подходит для мобильных роботов (AGV), штабелеров для поддонов, тележек для поддонов, подметальных машин, грузовых авиационных работ и т. Д.
Дополнительная настройка
Передаточное число опционально (как отмечено выше) для различных компромиссов между скоростью и крутящим моментом.
Из вышеперечисленных функций, вот преимущества, которые этот продукт предлагает в практическом развертывании:
Высокая грузоподъемность и тяговая способность: при номинальной грузоподъемности 1200 кг и потенциальной тяге до ~ 2700 Н HL230 хорошо подходит для относительно тяжелых условий эксплуатации в AGV или погрузочно-разгрузочного оборудования, обеспечивая надежность при умеренно больших нагрузках по сравнению с более легкими приводными колесами.
Хороший диапазон скорости: скорость движения до 100 м/мин обеспечивает хорошую пропускную способность для многих задач внутренней логистики или автоматизации производства. Комбинация редуктора мощности двигателя означает, что вы можете сопоставить скорость и крутящий момент для вашего приложения.
Гибкость за счет передаточных чисел: дополнительные передаточные числа позволяют проектировщикам настраивать более высокую скорость или более высокий крутящий момент в зависимости от сценария нагрузки/привода-предлагая настраиваемую платформу, а не одну фиксированную спецификацию.
Прочные шины и дизайн для промышленных сред: материал шин (полиуретан/резина) обеспечивает хорошее сочетание сцепления, долговечности и амортизации. Размер колеса φ 230 × 75 мм является существенным и предназначен для обработки более тяжелых грузов с устойчивостью.
Интегрированная тормозная и надежная система привода: встроенный bГрабли (16 Нм) при 24 В постоянного тока позволяют колесу надежно удерживать положение при необходимости (важно в сценариях остановки/удержания AGV). Расположение редуктора двигателя переменного тока подразумевает зрелую конструкцию механического привода для промышленного использования.
Упрощенная интеграция для AGV и роботов: поскольку продукт предназначен для AGV, штабелеров для поддонов, подметальных машин и т. Д., Он, вероятно, поддерживает стандартные монтажные/приводные кронштейны и интерфейсы, что позволяет системным интеграторам легче его использовать.
Компактный вариант вертикального привода: вертикальное ведущее колесо (предназначенное для привода вертикально установленных колесных узлов) помогает при ограниченном пространстве или для приводов днища, где боковое пространство ограничено.
Долговечность и надежность: конструкция редуктора асинхронного двигателя переменного тока имеет тенденцию быть надежной, подразумевает меньше проблем с техническим обслуживанием (меньший износ, чем у некоторых ременных или цепных приводов) и больше подходит для непрерывного промышленного использования.
Свяжитесь с нами для решения системы привода для вашего AGV.
Тел:
Электронная почта:
Адрес:
No. 17, Jingwu Road, Pingdu Economic Development Zone, Qingdao, Shandong 266700, China.