Колесо электрического дифференциала (двухколесное электрическое колесо дифференциала) предлагает характеристики нескольких диаметров колес с грузоподъемностью от 1,2 до 6 тонн, адаптируясь к требованиям к обработке в тяжелых условиях при различных тоннажах. Его основная конструкция оснащена двухступенчатой коробкой передач в паре с двумя серводвигателями для независимого управления сдвоенными колесами. Гибкое рулевое управление достигается за счет точной регулировки разницы скоростей между двумя колесами, что позволяет всенаправленное движение без дополнительных рулевых механизмов, что значительно улучшает использование пространства и маневренность.
| Основной параметр производительности | ||
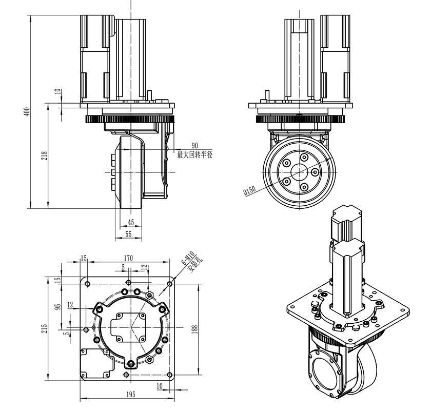
| Модель | HW155-SM1000-48-22-DS02 | |
| Индекс производительности | Параметр | |
| Мотор перемещения | Тип двигателя | Постоянный синхронный серводвигатель |
| КВ силы мотора | 1 кВт (два) | |
| Напряжение V | 48 | |
| Номинальный ток А | 26,4 | |
| Номинальный крутящий момент Нм | 3,18 | |
| Номинальная скорость об/мин | 3000 | |
| Тип энкордера | Инкрментальная энкордер | |
| Коробка передач | Тип редуктора | Вторичный редуктор |
| Коэффициент редуктора | 22,76 | |
| Тормоз | Тормозной момент Нм | 3,2 |
| Номинальное напряжение | DC24 | |
| Колесо | Материал тайера | Полиуретан/резина |
| Размер колеса | Φ155*65 | |
| Другие | Угол ограничения рулевого управления | > 180 ° |
| Скорость перемещения м/мин | 0-65 | |
| Номинальная тяга N | 1780 | |
| Пропускная способность Кг | 1200 | |
| Вес нетто кг | 120 | |
Сила мотора опционная Используется для мобильных роботов (AGV), штабелеров для поддонов, тележек для поддонов, метельщиков, тележек для воздушных работ и т. Д. | ||

Свяжитесь с нами для решения системы привода для вашего AGV.
Тел:
Электронная почта:
Адрес:
No. 17, Jingwu Road, Pingdu Economic Development Zone, Qingdao, Shandong 266700, China.