Специальные промышленные рулевые колеса на заказ с общим уровнем защиты IP54; с использованием низковольтной сервосистемы, поддерживающей различные методы управления, такие как шины CAN, Modbus, EtherCAT и импульсы; специально разработанная механическая конструкция имеет характеристики подходящей высоты установки и чрезвычайно малого радиуса вращения; Внешний тормоз и легко отделяемая конструкция колеса также имеют характеристики надежной конструкции, низкотермического поколения, низкой частоты отказов, и легкого обслуживания.
| Основной параметр производительности | ||
| Модель | HW155-SM400-48-JD-C | |
| Индекс производительности | Параметр | |
| Мотор перемещения | Тип двигателя | Мотор сервопривода постоянного магнита одновременный |
| КВ силы мотора | 0,4 | |
| Напряжение V | 48 | |
| Номинальный ток А | 10,1 | |
| Номинальный крутящий момент Нм | 1,27 | |
| Номинальная скорость об/мин | 3000 | |
| Тип энкордера | Инкрментальная энкордер | |
| Коробка передач | Тип редуктора | Вторичный редуктор |
| Коэффициент редуктора | 45,5: 1 | |
| Тормоз | Тормозной момент Нм | 4 |
| Номинальное напряжение | DC24 | |
| Колесо | Материал тайера | Полиуретан/резина |
| Размер колеса | Φ155X55 | |
| Рулевая часть | Тип двигателя | Постоянный синхронный серводвигатель |
| КВ силы мотора | 0,2 | |
| Напряжение V | 48 | |
| Номинальный ток А | 5,1 | |
| Номинальный крутящий момент Нм | 0,64 | |
| Номинальная скорость об/мин | 3000 | |
| Тип редуктора | Вторичный редуктор | |
| Передаточное отношение | 138,6: 1 | |
| Тип энкордера | Incrmental энкодер/Абсолютный энкодер | |
| Другие | Угол ограничения рулевого управления | ± 130 ° |
| Скорость перемещения м/мин | 0-32 | |
| Номинальная тяга N | 670 | |
| Пропускная способность Кг | 300 | |
| Вес нетто кг | 29 | |
| Используется для мобильных роботов (AGV), штабелеров для поддонов, тележек для поддонов, метельщиков, тележек для воздушных работ и т. Д. | ||

Общий уровень защиты: IP54
Сборка имеет класс защиты IP54, что означает, что она защищена от проникновения пыли (ограничено) и брызг воды с любого направления.
Поддерживает несколько интерфейсов/протоколов управления
Он может работать с такими методами управления, как CAN, Modbus, EtherCAT и импульсное управление.
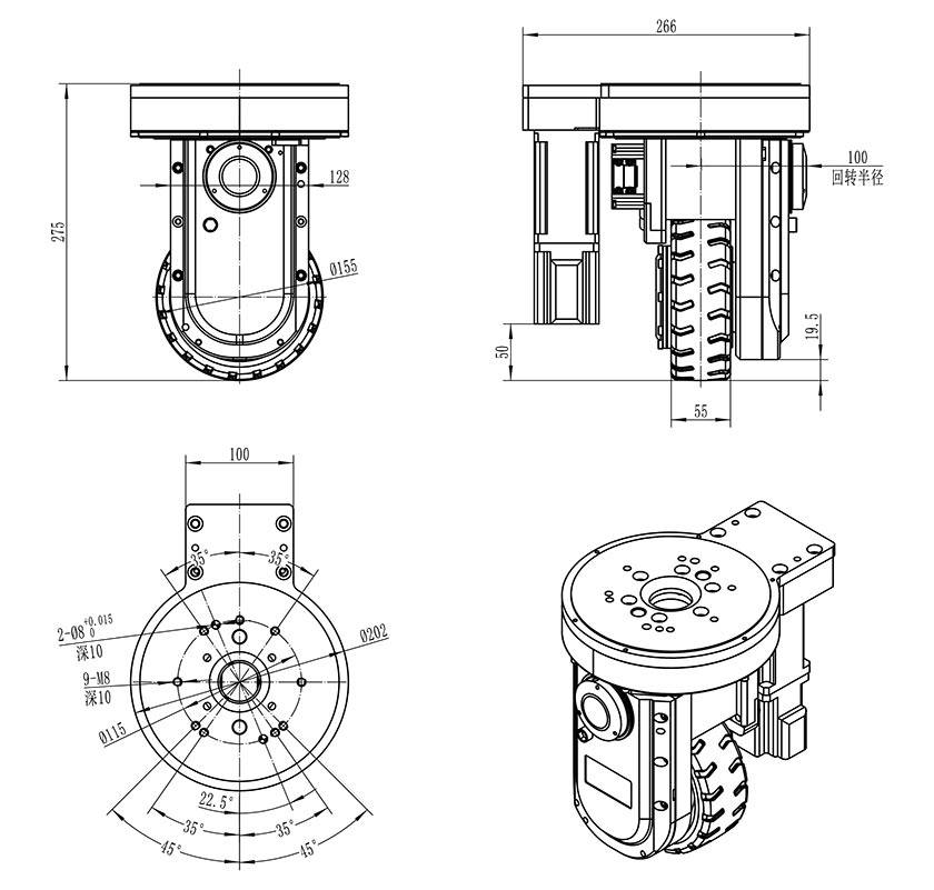
Компактный Механический Дизайн/Малый Радиус Поворота
Механическая конструкция оптимизирована для низкой высоты установки и очень малого радиуса вращения, что помогает при маневрировании в ограниченном пространстве.
Внешний тормоз и съемная конструкция колеса
Он включает в себя внешний тормоз, а колесо спроектировано так, чтобы быть съемным, что облегчает обслуживание и надежность.
Низкое тепловыделение, низкая интенсивность отказов
Конструкция направлена на уменьшение накопления тепла и минимизацию точек отказа.
Технические характеристики (путешествия и рулевое управление)
Мотор перемещения: мотор сервопривода постоянного магнита одновременный, 0,4 кВ на 48В, номинальная скорость 3000 рпм.
Редуктор: 45,5: 1 для привода.
Тормозной момент: 4 Нм.
Колесная шина: полиуретан/резина; размер Ø 155 × 55 мм.
Рулевой двигатель: 0,2 кВт, 48 В, с уменьшением 138,6: 1, предел рулевого управления ± 130 °.
Скорость движения: 0-32 м/мин.
Номинальная тяга: 670 Н.
Грузоподъемность: 300 kg.
Вес нетто: 29 кг.
Предполагаемый диапазон применения
Он разработан для использования в мобильных роботах (AGV), штабелерах для поддонов, тележках для поддонов, подметальных машинах, авиационных работах и т. Д.
Из этих функций, вот преимущества или выгоды, которые пользователь (дизайнер роботов, интегратор, оператор) может ожидать:
| Особенность | Преимущества |
Защита IP54 | Обеспечивает умеренную защиту от пыли и воды-подходит для многих промышленных сред (хотя и не для полного воздействия струй воды или глубокого погружения) |
Поддержка нескольких протоколов (CAN, Modbus, EtherCAT, импульсы) | Гибкая интеграция в различные архитектуры управления; упрощение взаимодействия с различными системами автоматизации |
Компактный дизайн & небольшой радиус поворота | Подходит для жестких пространственных ограничений; большая маневренность в узкомОстрова или компактное оборудование |
Внешний тормоз съемное колесо | Более простое обслуживание-вы можете заменить или обслуживать колесо или тормоз без разборки всего блока |
Низкое тепловыделение и низкий уровень отказов | Повышает надежность и долговечность; меньшее время простоя, более длительный срок службы |
Высокая тяга и приличная полезная нагрузка | Обладая грузоподъемностью 300 кг и тягой 670 Н, он может выдерживать умеренные нагрузки, сохраняя при этом сцепление. |
Диапазон скоростей подходит для промышленных AGV | Скорость движения до 32 м/мин достаточна для многих задач автоматизации склада/завода. |
Гибкость рулевого управления (± 130 °) | Универсальность рулевого управления обеспечивает более резкие повороты и лучшую маневренность |
Материал покрышки (ПУ/резина) | Хороший баланс прочности, сцепления, амортизации и низкого уровня шума по сравнению с твердым материалом |
Свяжитесь с нами для решения системы привода для вашего AGV.
Тел:
Электронная почта:
Адрес:
No. 17, Jingwu Road, Pingdu Economic Development Zone, Qingdao, Shandong 266700, China.